噜噜色噜噜色-噜噜色噜噜-噜噜噜在线视频免费观看-噜噜噜在线观看播放视频-欧美成人精品福利在线视频-欧美成人精品福利网站

配件供應中心柴油發電機組配件CV67245汽缸蓋、OE50588進氣門、OE50118氣門座圈、OE43070氣門導管_珀金斯發動機配件_配件供應中心_產品中心_廈門永新昌機械設備有限公司
柴油發電機組配件CV67245汽缸蓋、OE50588進氣門、OE50118氣門座圈、OE43070氣門導管

柴油發電機組配件CV67245汽缸蓋、OE50588進氣門、OE50118氣門座圈、OE43070氣門導管_珀金斯發動機配件_配件供應中心_產品中心_廈門永新昌機械設備有限公司

當前分類:配件供應中心關鍵詞
產品信息

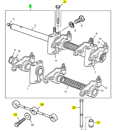
柴油發電機組配件CV67245汽缸蓋、OE50588進氣門、OE50118氣門座圈、OE43070氣門導管、OE52907搖臂組合

項目 零配件號碼 最近的部分號碼 描述

1 OE51592 2 CV67245 汽缸蓋裝備 -主修科目

25 OE51276 2 OE51276 密合墊 - 汽缸蓋 U961005B

25 OE50116 2 OE50116 密合墊 - 汽缸蓋 U961004B

26 OE52732 42 OE52732 螺拴

27 2 螺拴

Item Parts No. Qty. Latest Part No. Description Cut Out Cut In Comment

1 OE51592 2 CV67245 CYLINDER HEAD KIT - MAJOR

25 OE51276 2 OE51276 GASKET - CYLINDER HEAD U961005B

25 OE50116 2 OE50116 GASKET - CYLINDER HEAD U961004B

26 OE52732 42 OE52732 BOLT

27 2 BOLT

項目 零配件號碼 最近的部分號碼 描述

2 OE50117 1 OE50117 汽缸蓋裝備 -主修科目

13 OE50588 3 OE50588 進氣門

14 OE42266 3 OE42266 位子

15 CV68907 3 CV68907 氣門彈簧外部的

15 OE42300 3 CV68907 氣門彈簧外部的

16 OE30935 6 OE30935 位子

17 OE2582 6 OE2582 氣門筒夾

18 OE50589 3 OE50589 排氣氣門

19 OE42266 3 OE42266 位子

20 OE2582 6 OE2582 氣門筒夾

21 CV68908 3 CV68908 氣門彈簧內部

21 OE42301 3 CV68908 氣門彈簧內部

22 OE5718 6 OE5718 密封 - O 的圈

23 CV68907 3 CV68907 氣門彈簧外部的

23 OE42300 3 CV68907 氣門彈簧外部的

24 CV68908 3 CV68908 氣門彈簧內部

24 OE42301 3 CV68908 氣門彈簧內部

Item Parts No. Qty. Latest Part No. Description Cut Out Cut In Comment

2 OE50117 1 OE50117 CYLINDER HEAD KIT - MAJOR

13 OE50588 3 OE50588 INTAKE VALVE

14 OE42266 3 OE42266 SEAT

15 CV68907 3 CV68907 VALVE SPRING OUTER

15 OE42300 3 CV68907 VALVE SPRING OUTER

16 OE30935 6 OE30935 SEAT

17 OE2582 6 OE2582 VALVE COLLET

18 OE50589 3 OE50589 EXHAUST VALVE

19 OE42266 3 OE42266 SEAT

20 OE2582 6 OE2582 VALVE COLLET

21 CV68908 3 CV68908 VALVE SPRING INNER

21 OE42301 3 CV68908 VALVE SPRING INNER

22 OE5718 6 OE5718 SEAL - O RING

23 CV68907 3 CV68907 VALVE SPRING OUTER

23 OE42300 3 CV68907 VALVE SPRING OUTER

24 CV68908 3 CV68908 VALVE SPRING INNER

24 OE42301 3 CV68908 VALVE SPRING INNER

項目 零配件號碼 最近的部分號碼 描述

3 OE50118 3 OE50118 氣門座圈

(3) OE50178 3 OE50178 氣門座圈

4 OE49094 3 OE49094 氣門座圈

(4) OE50149 3 OE50149 氣門座圈

5 OE43070 3 OE43070 氣門導管

6 OE46001 3 OE46001 氣門導管

7 OE50207 3 OE50207 套筒

8 OE49978 3 OE49978 封閉砂條

9 ST33602 1 ST33602 栓塞

10 ST33606 5 ST33606 栓塞

11 ST33609 5 ST33609 栓塞

12 ST33613 4 ST33613 栓塞

Item Parts No. Qty. Latest Part No. Description Cut Out Cut In Comment

3 OE50118 3 OE50118 INSERT

(3) OE50178 3 OE50178 INSERT

4 OE49094 3 OE49094 INSERT

(4) OE50149 3 OE50149 INSERT

5 OE43070 3 OE43070 VALVE GUIDE

6 OE46001 3 OE46001 VALVE GUIDE

7 OE50207 3 OE50207 SLEEVE

8 OE49978 3 OE49978 SEALING RING

9 ST33602 1 ST33602 PLUG

10 ST33606 5 ST33606 PLUG

11 ST33609 5 ST33609 PLUG

12 ST33613 4 ST33613 PLUG

項目 零配件號碼 最近的部分號碼 描述

1 OE52907 2 OE52907 搖臂組合

21 UF1569 12 UF1569 固正螺釘

26 OE42184 12 OE42184 PUSHROD

27 OE51590 12 OE51590 挺桿

28 OE51761 1 OE51761 油管

29 OE49346 3 OE49346 螺拴

Item Parts No. Qty. Latest Part No. Description Cut Out Cut In Comment

1 OE52907 2 OE52907 ROCKER SHAFT ASSEMBLY

21 UF1569 12 UF1569 SETSCREW

26 OE42184 12 OE42184 PUSHROD

27 OE51590 12 OE51590 TAPPET

28 OE51761 1 OE51761 OIL PIPE

29 OE49346 3 OE49346 BOLT

項目 零配件號碼 最近的部分號碼 描述

2 OE50459/1 1 OE50459/1 搖臂 ASSY

4 OE50854 2 OE52906 托架

4 OE52906 2 OE52906 托架

5 UF1502 1 UF1502 螺拴

6 0920053 1 0920053 墊圈

7 OE50852 1 OE50852 托架

8 OE50853 3 OE50853 圖釘

9 KB14169 2 OE52557 CIRCLIP

10 OE431 2 OE431 墊圈

11 OE429 2 OE429I 搖臂彈簧

12 OE42278 6 OE42278 搖臂組合

Item Parts No. Qty. Latest Part No. Description Cut Out Cut In Comment

2 OE50459/1 1 OE50459/1 ROCKER SHAFT ASSY - MINOR

4 OE50854 2 OE52906 PEDESTAL

4 OE52906 2 OE52906 PEDESTAL

5 UF1502 1 UF1502 BOLT

6 0920053 1 0920053 WASHER

7 OE50852 1 OE50852 PEDESTAL

8 OE50853 3 OE50853 STUD

9 KB14169 2 OE52557 CIRCLIP

10 OE431 2 OE431 WASHER

11 OE429 2 OE429I ROCKER SHAFT SPRING

12 OE42278 6 OE42278 ROCKER ARM ASSEMBLY

Item Parts No. Qty. Latest Part No. Description Cut Out Cut In Comment

13 OE28549 1 OE28549 BUSH

14 OE41699 1 OE41699 SCREW

15 OE42293 1 OE42293 LOCKNUT

項目 零配件號碼 最近的部分號碼 描述

1 OE51437 2 OE51437 汽缸蓋蓋

2 CV67896 2 CV67896 密合墊 -CYL。 冒口蓋

3 32726535 6 32726535 螺帽

4 0920009 6 0920009 墊圈

5 33817132 6 密封

Item Parts No. Qty. Latest Part No. Description Cut Out Cut In Comment

1 OE51437 2 OE51437 CYLINDER HEAD COVER

2 CV67896 2 CV67896 GASKET - CYL. HEAD COVER

3 32726535 6 32726535 NUT

4 0920009 6 0920009 WASHER

5 33817132 6 Check History SEAL

項目 零配件號碼 最近的部分號碼 描述

1 OE50326 1 OE50326 車橋

2 OE51293 1 OE51293 惰輪傳動機構

8 OE2297 2 OE2297 合釘

9 UF1604 3 UF1604 固正螺釘

10 0920055 3 0920055 墊圈

11 OE2296 2 OE2296 圈

Item Parts No. Qty. Latest Part No. Description Cut Out Cut In Comment

1 OE50326 1 OE50326 AXLE

2 OE51293 1 OE51293 IDLER GEAR

8 OE2297 2 OE2297 DOWEL

9 UF1604 3 UF1604 SETSCREW

10 0920055 3 0920055 WASHER

11 OE2296 2 OE2296 RING

購買配件須知:

1、購買前請確認零部件型號、技術參數、編碼、適用機型。因批次不同或存在零部件差異,請以實物為準。

2、為選購正確的零部件,可以通過對比現場零部件和本網站所展示的是否一致,來確保購買到準確的零部件。

3、本網站目前暫未上架全部機型的零部件,如在網站中未查詢到的零部件,請聯系我們。